peoducts
Cuplock scaffolding U Head Screw Jack is a scaffold product that is also used to support the scaffolding structure.
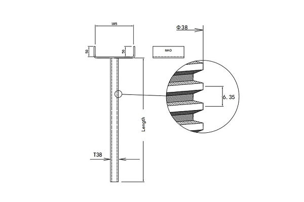
Adjustable U-Head Jacks are made of a “U” shaped steel plate, screw jack.Adjustable U-Head Jacks are used to provide support for primary beams (traditional timber, steel, H20 beam and aluminum beams).It is inserted into the top of the Cuplock standards.
Standard: EN12811
Steel Grade: Q235B
Surface treatment: Hot Dip Galvanized,Electric galvanized

Request a Quote
Related Recommendations
Tianjin Great Scaffolding Engineering Technology Co., Ltd.